22kg RAIL
Product Overview
The 22kg rail serves mining and industrial track systems that run daily and face tough conditions. This rail handles regular haulage and underground use while keeping wheel movement smooth and controlled. The design focuses on strength, durability, and operational stability. Different material options allow the rail to match varying wear conditions and site demands. As a result, the 22kg rail fits projects that need dependable performance without unnecessary complexity.
22kg RAIL Material & Sizes
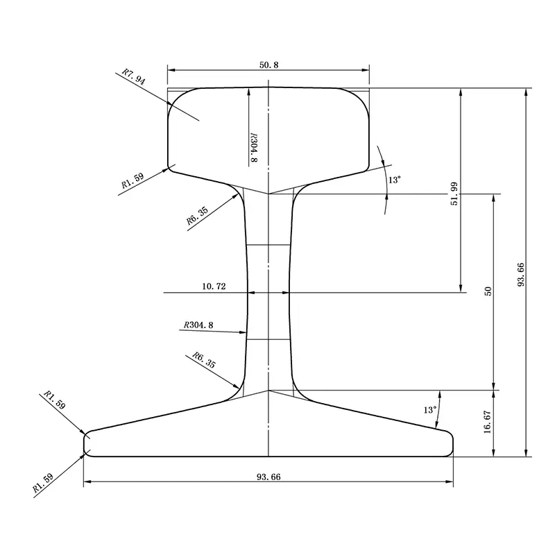
22kg Rail Dimensions
The table below lists the standard dimensions of the 22kg rail under GB/T 11264-2012. These dimensions define the rail head, web, and base geometry used in mining and industrial track systems.
| Type of Rail | Standard | Dimensions mm | Steel Grade | Mass M | |||
| Height | Base Width | Head Width | Web Thickness | kg/m | |||
| 22kg Rail | GB/T 11264-2012 | 93.66 | 93.66 | 50.8 | 10.72 | Q235B, 55Q | 22.3 |
22kg Rail Materials
The 22kg rail uses two material options: Q235B and 55Q. Q235B suits general mining and industrial tracks with moderate load and wear conditions. 55Q offers higher strength and better wear resistance for more demanding environments. This material choice allows the rail to match different service conditions and project budgets.
| Q235B | Mechanical Property | Chemical Composition | |||||||||
| Yield strength | Tensile strength | Elongation | Hardness | C | Mn | Si | S | P | |||
| MPa | kg/mm² | MPa | kg/mm² | min | HB | ≤ | ≤ | ≤ | |||
| ≥235 | ≥24 | 375-460 | 38-47 | 26% | 0.12-0.22 | 0.30-0.70 | 0.35 | 0.045 | 0.045 | ||
| 55Q | Mechanical Property | Chemical Composition | |||||||||
| Yield strength | Tensile strength | Elongation | Hardness | C | Mn | Si | S | P | |||
| MPa | kg/mm² | MPa | kg/mm² | min | HBW | ≤ | ≤ | ||||
| ≥685 | 69 | ≥197 | 0.50-0.60 | 0.60-0.90 | 0.15-0.35 | 0.040 | 0.040 | ||||
Features of 22kg Rail
Handles Daily Haulage
Mining teams use 22kg rail for continuous ore and material transport. The rail supports regular traffic and keeps track performance stable during long operating shifts.
Withstands Harsh Conditions
Underground mines expose rails to moisture, dust, and abrasive debris. The 22kg section resists deformation and wear better than lighter rails in these environments.
Improves Track Reliability
Stable rail geometry helps maintain consistent wheel movement and alignment. This reduces derailment risk and minimizes unplanned downtime in active mining areas.
22kg Rail FOR SALE
We supply 22kg rail for mining and industrial projects with stable availability and flexible order support. This rail type suits both routine replacement needs and long-term track construction plans.
Rails are supplied in standard lengths and clearly identified by material grade and production batch. Consistent quality control helps ensure reliable performance across different shipments and project phases.
We support flexible order quantities and common trade terms, including FOB, CIF, and EXW. Whether for small maintenance orders or bulk project supply, our team works closely with customers to match delivery schedules and site requirements.
22kg Rail Export and Container Loading
We pack 22kg rails in bundled form using steel straps and protective wrapping. This method helps maintain rail condition during handling and transport.
We support container loading in both 20GP and 40GP containers, as well as bulk shipment when required. Mixed loading arrangements are available to suit different order sizes and project needs.
With stable stock and established logistics partners, we arrange shipments according to agreed schedules. Our team also supports export documentation and transport coordination to keep the delivery process straightforward.
Get in Touch
📩 Request a Quote to get started or speak with our team for technical and commercial details.